机器人用的减速器有哪些设计仿真软件?
引言
精密减速器作为工业机器人的核心传动部件,其设计质量直接影响机器人的定位精度、重复精度和使用寿命。随着智能制造对机器人性能要求的不断提升,传统基于经验的设计方法已难以满足角秒级精度和超长寿命的严苛指标。仿真技术的深度应用,为减速器设计带来了从经验驱动向数据驱动的根本性转变。
减速器类型与技术特点
RV减速器技术架构
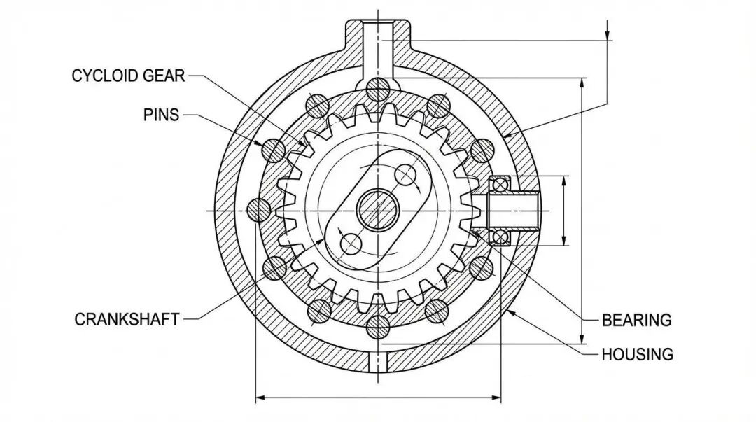
RV减速器采用摆线针轮传动原理,通过两级减速实现大传动比。第一级为渐开线圆柱齿轮传动,第二级为摆线针轮行星传动。这种结构设计使得RV减速器具备高刚度、大承载能力和长使用寿命等优势,成为六轴工业机器人大关节的主流选择。
摆线轮与针齿的多齿啮合机制是RV减速器的核心技术。在任一瞬时,约有30%的针齿与摆线轮同时啮合,载荷分布更加均匀,单齿受力显著降低。这种设计使得RV减速器能够承受更大的扭矩冲击,额定扭矩可达数千牛·米级别。
谐波减速器设计原理
谐波减速器基于柔轮弹性变形实现传动,主要由波发生器、柔轮和刚轮三个核心部件组成。波发生器通过柔性轴承使柔轮产生可控的弹性变形,形成两个主要啮合区。柔轮齿数通常比刚轮少2个,随着波发生器旋转,啮合点位置连续变化,实现减速传动。
谐波减速器的突出优势在于结构紧凑和传动精度高。由于采用多齿同时啮合,传动精度可达角分级甚至角秒级。同时,柔轮的薄壁结构使得整体重量显著降低,功率密度可达传统齿轮传动的2-3倍。这些特性使其成为协作机器人和轻型机械臂的理想选择。
主流仿真软件平台
ANSYS多物理场耦合分析
ANSYS作为工程仿真领域的领导者,在减速器设计中提供了全面的分析能力。其Mechanical模块支持线性与非线性结构分析,能够精确计算齿面接触应力、齿根弯曲应力以及轴承接触疲劳。在RV减速器仿真中,ANSYS能够处理摆线轮与针齿的复杂接触问题,通过接触算法计算多齿啮合的载荷分布。
ANSYS的参数化设计语言(APDL)提供了强大的自动化能力。通过编写APDL脚本,可以实现设计参数的批量修改和自动化仿真。这对于开展多方案对比和优化设计具有重要意义。同时,ANSYS Workbench平台的双向参数关联功能,使得几何模型与分析模型能够保持同步更新,大幅提升设计迭代效率。
最新版本引入的AI增强功能,通过机器学习算法优化网格划分策略,在保证计算精度的前提下,将计算时间缩短40%。这使得工程师能够在有限的时间内完成更多的设计方案评估。
ADAMS多体动力学仿真
ADAMS软件专注于机械系统的动力学仿真,在减速器设计中主要用于分析系统的动态响应特性。通过建立包含所有运动部件的多体模型,可以仿真减速器在启动、制动、变速等工况下的载荷变化,预测轴承受力、齿轮冲击和系统振动。
Adams Machinery模块为齿轮传动系统提供了专业化的建模工具。用户可以快速建立行星齿轮系、摆线针轮等复杂传动机构,软件自动生成啮合约束和接触定义。通过设置适当的摩擦系数和阻尼参数,能够真实反映实际运行状态。
刚柔耦合分析是ADAMS的重要功能。将关键构件的柔性特性导入多体模型,可以分析弹性变形对系统动力学行为的影响。这对于高速减速器的振动噪声分析和共振避免设计具有指导意义。
KISSsoft专业齿轮设计
KISSsoft作为专业的齿轮设计与分析软件,提供了符合国际标准的完整计算体系。软件内置ISO 6336、DIN 3990、AGMA 2001等多种齿轮强度计算标准,能够进行齿面接触强度、齿根弯曲强度、胶合、磨损等多种失效模式的校核。
在摆线齿轮设计方面,KISSsoft提供了专门的计算模块。用户可以定义摆线轮的齿形修形参数,软件自动计算修形后的啮合性能。通过与FEA软件的接口,可以将KISSsoft的计算结果作为边界条件导入有限元分析,实现更精确的应力预测。
KISSsys系统级分析模块支持复杂传动链的建模。对于RV减速器的两级传动结构,可以在系统层面上分析载荷在各级间的分配,优化各级传动比的匹配关系,实现整体性能的最优化。
Romax数字孪生平台
Romax软件在传动系统完整性分析方面具有独特优势。其系统级建模方法不仅考虑齿轮的宏观几何,还能够处理齿面微观几何、表面粗糙度、润滑油膜等细节因素对传动性能的影响。这种精细化建模能力使得仿真结果更接近实际运行状态。
Romax ENDURO模块专注于疲劳寿命预测。基于雨流计数法处理实测载荷谱,结合材料的S-N曲线和累积损伤理论,可以预测减速器在实际工况下的使用寿命。这对于产品的可靠性设计和维护计划制定具有重要价值。
在数字孪生应用中,Romax能够处理来自物联网传感器的实时数据,驱动虚拟模型进行在线仿真。通过对比实际运行数据与仿真预测值,可以实现状态监测和故障预警。某汽车厂商的应用案例显示,基于Romax数字孪生的预测性维护系统,将非计划停机时间降低了35%。
核心仿真技术方法
有限元接触分析
齿轮接触分析是减速器仿真的核心技术挑战。传统的赫兹接触理论基于半无限体假设,难以准确反映有限尺寸齿轮的真实接触状态。有限元方法通过离散化求解,能够处理复杂的几何形状和边界条件,获得更准确的应力分布。
在RV减速器的摆线针轮接触分析中,需要建立包含摆线轮、针齿和针齿壳的完整模型。由于同时啮合齿数较多,单个针齿的变形会影响相邻针齿的受力,存在复杂的耦合效应。采用接触单元建立啮合对,通过迭代求解得到收敛的接触状态。
网格质量对计算精度影响显著。接触区域需要采用更密的网格,典型的单元尺寸为模数的1/20-1/30。对于摆线轮齿廓曲线,建议使用至少100个节点进行离散,以准确捕捉齿形的曲率变化。合理的网格划分策略能够在保证精度的同时,将计算时间控制在可接受范围。
加载齿面接触分析
加载齿面接触分析(LTCA)技术考虑了实际载荷作用下的齿面变形和失配。通过迭代计算载荷分布和变形,直到达到力平衡,得到真实的接触状态。这种方法能够准确评估齿形修形的效果,优化修形参数。
对于谐波减速器,柔轮的弹性变形是设计的核心。LTCA分析需要考虑柔轮在波发生器作用下的初始变形,以及载荷作用下的附加变形。两者的叠加决定了柔轮与刚轮的实际啮合状态。研究表明,合理的修形设计可以使载荷在啮合区域内更均匀分布,避免边缘应力集中,从而提高疲劳寿命。
热-结构耦合分析
减速器在运行过程中,摩擦和搅油会产生大量热量,导致温度升高。温度变化会引起材料性能改变和热变形,进而影响啮合状态和传动精度。热-结构耦合分析能够预测温度场分布及其对结构的影响。
在仿真建模中,需要定义摩擦生热、对流换热和辐射换热等边界条件。齿面摩擦生热量与滑动速度和摩擦系数相关,对流换热系数取决于润滑油的流动状态。通过瞬态热分析,可以获得温升过程和稳态温度分布。将温度场作为载荷施加到结构分析中,计算热变形对传动精度的影响。
某企业的应用案例显示,通过热-结构耦合仿真优化散热结构设计,将稳态温升降低15℃,传动精度保持率提高了20%。
人工智能技术赋能
AI加速应力计算
传统有限元分析面临计算效率与精度的矛盾。高精度仿真需要精细网格和非线性算法,计算时间可能长达数小时甚至数天。这使得大规模参数优化难以实施。人工智能技术为这一问题提供了创新解决方案。
西门子开发的AI加速齿轮应力分析技术,通过训练神经网络代理模型,实现了仿真速度的突破性提升。该技术采用基于Transformer架构的算子学习模型,能够直接预测三维应力场分布。训练完成后,模型推理时间仅需0.1秒,而准确度与传统有限元方法相当。
这种技术使得工程师能够在短时间内评估数千种设计方案。在多目标优化场景中,可以快速探索设计空间,找到性能、成本和制造性之间的最佳平衡点。某减速器企业应用该技术后,设计周期缩短了60%,产品性能提升15%。
智能优化算法应用
传统的优化设计往往采用梯度法,容易陷入局部最优,且难以处理离散变量和约束条件复杂的问题。智能优化算法如遗传算法、粒子群算法、模拟退火等,通过模拟自然界的进化或物理过程,能够在全局范围内搜索最优解。
在减速器优化设计中,目标函数通常包括体积最小、效率最高、寿命最长等多个维度。设计变量包括齿轮参数、轴承选型、材料牌号等。通过建立多目标优化模型,采用NSGA-II等多目标进化算法,可以得到帕累托最优解集,为设计决策提供丰富的选项。
结合代理模型技术,可以进一步提升优化效率。先通过少量高精度仿真建立设计参数与性能指标的映射关系,后续优化迭代主要基于代理模型进行,只在关键点进行高精度验证。这种策略能够将优化计算时间降低一个数量级。
数字孪生技术实践
虚实映射架构
数字孪生技术的核心在于建立物理实体与虚拟模型的动态映射关系。对于减速器,这种映射包括几何维度、物理维度和行为维度。几何维度反映实际加工后的尺寸和形位公差,物理维度包括材料性能和装配状态,行为维度描述运行过程中的动态响应。
通过三坐标测量获得实际零件的几何数据,建立包含真实偏差的几何模型。材料性能参数可通过力学试验测定,装配状态通过预紧力传感器监测。这些实测数据被集成到数字孪生模型中,使虚拟模型成为物理实体的高保真映射。
实时状态监测
物联网技术为数字孪生提供了数据基础。在减速器关键位置布置振动传感器、温度传感器和扭矩传感器,以毫秒级频率采集运行数据。这些数据通过工业以太网或无线网络传输到边缘计算节点,进行预处理和特征提取。
经过处理的数据驱动数字孪生模型进行实时仿真。通过对比当前应力状态与设计许用应力,可以评估安全裕度。疲劳损伤累积模型持续计算损伤演化,预测剩余寿命。当监测参数超过预警阈值时,系统自动发出维护提醒。
某风电企业的应用实践表明,基于数字孪生的状态监测系统,将齿轮箱故障预警准确率提升至90%以上,平均故障预警时间提前2-3周,有效避免了重大设备损坏事故。
预测性维护策略
传统的定期维护策略基于统计平均寿命,存在过度维护或维护不足的问题。数字孪生技术支持的预测性维护,根据实际运行状态和累积损伤进行个性化维护决策。
通过长期积累的运行数据,可以建立该类型减速器的健康退化模型。机器学习算法识别故障特征模式,当实时监测数据显示相似特征时,判断可能的故障类型。结合数字孪生的应力和寿命仿真,综合评估维护需求和维护时机。
云端数据平台实现了跨设备的知识共享。同一型号减速器的运行数据被汇聚分析,故障案例和维护经验被提炼为知识库。这种群体智能机制使得预测模型持续改进,预测准确性不断提升。
工程应用技术难点
摆线齿廓修形优化
摆线轮理论齿廓在实际应用中会产生啮合干涉和边缘接触等问题,必须进行齿廓修形。修形参数包括移距修形量、等距修形量和转角修形量等,这些参数的选择直接影响传动性能。
仿真优化是确定修形参数的有效途径。通过参数化建模,建立修形参数与啮合性能的响应面模型。以传动误差最小、接触应力最小、啮合冲击最小为目标,采用多目标优化算法求解最优修形参数组合。
实际应用表明,合理的修形设计可以将传动误差降低50%-70%,显著改善传动平稳性。但修形量过大会导致承载能力下降,需要在精度和强度间找到平衡。某减速器厂商通过仿真优化修形参数,产品空载传动误差从2角分降至1角分以内,达到国际先进水平。
柔轮大变形非线性
谐波减速器的柔轮在波发生器作用下产生径向变形,变形量可达壁厚的数倍,属于典型的几何非线性大变形问题。同时,柔轮材料在反复变形过程中可能进入塑性状态,需要考虑材料非线性。齿轮啮合的接触特性又引入了接触非线性。
三重非线性的耦合使得柔轮仿真成为技术难点。在有限元建模中,需要采用大变形算法,激活几何非线性选项。材料模型选择弹塑性本构关系,输入真实应力-应变曲线。接触算法采用罚函数法或增广拉格朗日法,设置合理的接触刚度和穿透容差。
计算策略上,建议采用分步加载。先施加波发生器的径向位移,获得柔轮的初始变形状态;再施加传递扭矩,计算载荷作用下的附加变形。这种策略能够提高收敛性,缩短计算时间。
精度预测与公差分配
减速器的传动精度受多个因素影响,包括齿轮制造误差、轴承游隙、装配偏差等。如何在设计阶段预测装配后的精度,并合理分配各零件的公差,是工程应用的重要课题。
基于蒙特卡洛方法的公差分析,通过随机抽样生成大量虚拟样本,每个样本包含符合公差范围的随机误差。对每个样本进行仿真计算,统计传动误差的分布特性,获得精度的均值和标准差。
通过灵敏度分析,可以识别对精度影响最大的误差源。将有限的制造精度资源重点投入到关键尺寸的控制,对影响较小的参数适当放宽公差。这种基于仿真的智能公差分配,能够在保证精度的前提下,降低制造成本10%-20%。
未来技术发展趋势
云端协同仿真
云计算技术为大规模仿真提供了弹性计算资源。将计算密集型的仿真任务部署到云端,可以利用分布式并行计算大幅缩短计算周期。同时,云平台支持多用户协同工作,设计团队成员可以共享模型和结果,提高协作效率。
基于云的仿真平台还具有成本优势。企业无需投资昂贵的高性能计算硬件,按需付费使用云资源即可。对于中小企业,这大幅降低了应用先进仿真技术的门槛。
多尺度集成仿真
减速器的性能由多个尺度的物理过程决定。宏观层面的齿轮啮合受到微观层面的表面粗糙度、材料显微组织等因素影响。多尺度集成仿真技术通过建立不同尺度模型间的信息传递机制,实现从微观到宏观的贯通分析。
在材料层面,采用晶体塑性有限元分析微观组织对疲劳性能的影响。在零件层面,采用连续介质力学分析应力应变分布。在系统层面,采用多体动力学分析整体运动特性。通过建立尺度间的均匀化和局部化算子,实现多尺度信息的双向传递。
沉浸式虚拟设计
虚拟现实(VR)和增强现实(AR)技术为减速器设计提供了新的交互方式。工程师佩戴VR头盔,可以在虚拟环境中观察减速器的三维结构,检查装配关系和运动干涉。通过手势操作,可以拆解和组装虚拟模型,直观理解复杂的传动机构。
AR技术在维护培训中展现出独特价值。将虚拟的装配步骤和注意事项叠加显示在实物设备上,技术人员可以按照AR指引进行操作。这种沉浸式培训方式大幅缩短学习周期,降低误操作风险。
总结与展望
仿真技术已经成为减速器设计不可或缺的工具。从单一的静力分析发展到多物理场耦合、从离线设计验证发展到在线状态监测、从人工驱动发展到AI辅助,仿真技术的深度和广度都在不断拓展。
当前的发展趋势呈现出明显的智能化、集成化和服务化特征。人工智能技术的融入,使得仿真速度大幅提升,优化设计更加高效。多软件平台的集成应用,实现了从概念设计到制造工艺的全流程数字化。云端服务模式的兴起,降低了技术应用门槛,推动了仿真技术的普及。
面向未来,减速器仿真技术将继续朝着更智能、更精准、更高效的方向发展。随着计算能力的持续提升和算法的不断创新,仿真将在产品创新中发挥更加重要的作用,助力中国减速器技术实现从跟跑到并跑乃至领跑的跨越。
- 上一篇:电子散热用icepak还是fluent? 2026/1/30
- 下一篇:125kW 风冷 PCS 储能变流器热仿真全方案 2026/1/29
